High performance rubidium atomic clock

High performance rubidium atomic clock

LX-B72 Rubidium Atomic Clock

The LX-B72 rubidium atomic clock is an ultra-thin rubidium atomic clock that uses the "0-0" ultra-fi...

Product Introduction

   The LX-B72 rubidium atomic clock is an ultra-thin rubidium atomic clock that uses the "0-0" ultra-fine energy level transition frequency signal of the rubidium atom to lock the voltage-controlled quartz crystal oscillator and output an accurate and stable 10MHz standard frequency signal and 1PPS pulse signal. The LX-B72 rubidium clock uses a quantum physics system with completely independent intellectual property rights and is manufactured using domestically produced components. It can work in time-frequency boards and modules and can receive reference 1PPS signals for taming.


Features

1.Rubidium clock height 18mm

2.RF output selectable 10/100MHz

3.Adopting domestically produced components

4.Adapt to +70℃ high temperature working

5.Can be used for external second training, with RS232 frequency calibration interface


Application

1.Time-frequency boards and modules

2.Military and Civilian Communication Systems

3.Power, telecommunications

4.Navigation and positioning


Technical Indicators

72-1.png

72-2.png

72-3.png

72-4.png


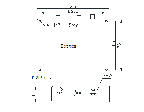
Dimensions and interfaces

The main body of the rubidium clock is (89±1)mm×(76±1)mm×(18±0.5)mm, and is installed on the user's base plate through 4 M3 screws on the base.

Installation dimensions: (82.6±0.5)mm×(69.6±0.5)mm.



See the figure below for specific dimensions.

 


72-5.png

Figure 1 LX-B72 rubidium clock dimensions (unit: mm)

Power, status, and control interfaces: DB9 pins, and the matching connector is DB9 holes.


10MHz signal output interface: SMA-KWHD5, and the matching connector is SMA-J series.

The definition of power, status, and control interfaces is shown in Table 1.

 

Table 1 Power, status, and control interface (DB9 pin) definition table

72-6.png

 





PREV:LX-A40 CPT Atomic Clock NEXT:LX-A45 Chip Atomic Clock

Welcome your product consultation

Our staff will contact you as soon as they receive feedback.