The LX-B21 rubidium atomic clock is a small, high-performance rubidium atomic clock. It uses the "0-...
Product Introduction
The LX-B21 rubidium atomic clock is a small, high-performance rubidium atomic clock. It uses the "0-0" ultra-fine energy level transition frequency signal of the rubidium atom to lock the voltage-controlled quartz crystal oscillator and output an accurate and stable 10MHz standard frequency signal and 1PPS pulse signal. The LX-B21 rubidium clock uses a quantum physics system with completely independent intellectual property rights, and the unique domestic alkali-free glass reduces the frequency drift of the rubidium clock. The LX-B21 rubidium clock is manufactured with domestic components and can work in dynamic and harsh environments such as vehicles, and can receive reference 1PPS signals for taming.
Features
1.Adopting domestically produced components
2.RF output selectable 10/100MHz
3.δy(1s)≤1E-11,optionally≤3E-12
4.Low frequency drift
5.Adapt to the vehicle environment
Application
1.Military Communications
2.In-vehicle timekeeping system
3.Navigation and positioning
Technical Indicators





Dimensions and interfaces
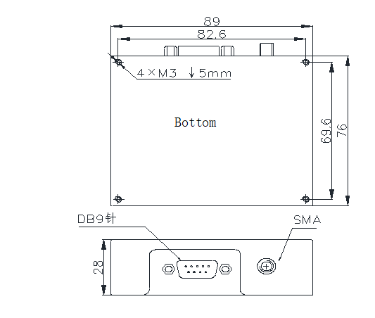
The main body of the rubidium clock is (89±1)mm×(76±1)mm×(28±0.5)mm, and is installed on the user's base plate through 4 M3 screws on the base.
Installation dimensions: (82.6±0.5)mm×(69.9±0.5)mm.
See the figure below for specific dimensions.

Figure 1 LX-B21 rubidium clock dimensions (unit: mm)
Power, status, control interface: DB9 pin, the matching connector is DB9 hole.
10MHz signal output interface: SMA-KWHD5, the matching connector is SMA-J series.
The definition of power, status, and control interface is shown in Table 1.
Table 1 Definition of power, status, and control interface (DB9 pin)

Copyright 2015-2020 Shenzhen Lixing Sifang Electronics Co., Ltd. All rights reserved Record number:粤ICP备2025428050号 support:易畅客营销系统